±äµç½ð¾ß
²úÆ·¸ÅÊö Feature

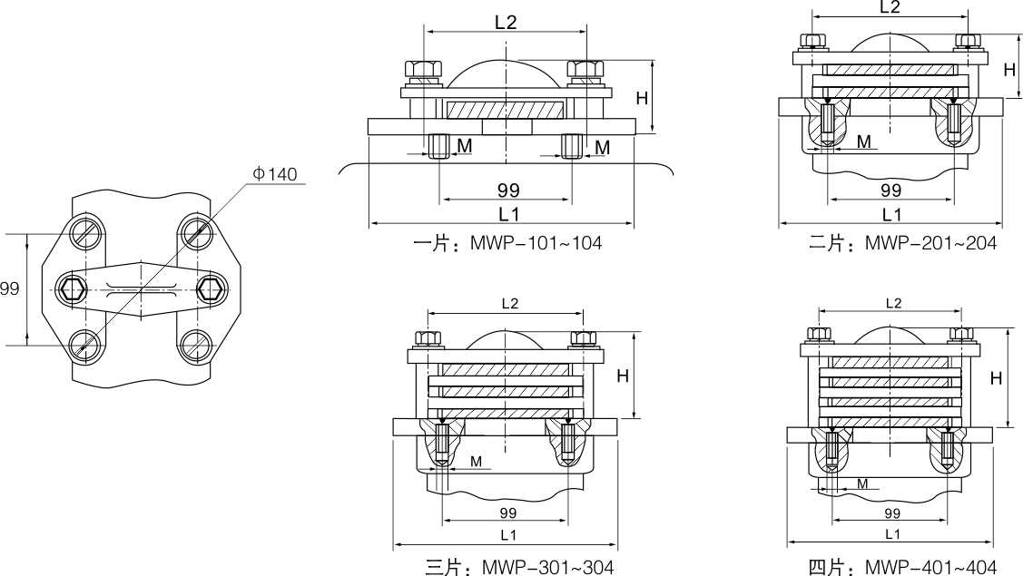
ÉϸǰåΪÂÁºÏ½ð¼þ£¬£¬£¬£¬£¬£¬£¬ÆäÓàΪÈȶÆÐ¿¸ÖÖÆ¼þ¡£¡£¡£¡£¡£
Ðͺż°¼ÄÒå

ĸÏßÐͺÅÌåÏÖÒªÁì


²úÆ·¼ÛÇ® Price
| ¼ÛÇ® | ¹æ¸ñ | ×îÏÈÈÕÆÚ | ¿¢ÊÂÈÕÆÚ |
|---|---|---|---|
| 0.00 | Ôª/¸ö | 2020-09-29 00:00:00 | 2020-09-29 00:00:00 |
![]()
copyright © ÄϹ¬NG28µçÆø¼¯ÍÅ. ALL RIGHT RESERVED.
ÕãICP±¸05024005ºÅ-1